产品
分类
案例
博客
ESD静电保护元件
PESD静电保护元件
TVS瞬态电压抑制二极管
TSS半导体放电管
GDT陶瓷气体放电管
MOV压敏电阻
PPTC自恢复保险丝
MOSFET场效应管
RECTIFIER整流管
Zener 稳压管
Inductor电感
Transceiver收发器
LDO 线性稳压器
裸片和晶圆服务
EMC测试项目和地区分布
EMC整改能力展示
教育技术
English
日本語
Deutsch
Français
Español
Русский
Português
简体中文
USD
EUR
GBP
CAD
AUD
CHF
HKD
JPY
RUB
BRL
CLP
NOK
DKK
SEK
KRW
ILS
MXN
CNY
SAR
SGD
NZD
ARS
INR
COP
AED
首页
关于我们
公司简介
企业文化
公司资质
加入我们
FAQ
产品中心
ESD静电保护元件
0201/DFN0603/TSSLP-2-4
0402/DFN1006/SOD-882/TSSLP-2-20
DFN1006-3L/0402-3/SOT-883
DFN1210-6
DFN1510
DFN1610
DFN1610-2
DFN1616-6
DFN1714
DFN2010
DFN2020-3
DFN2020-6
DFN2510P10/SLP2510P8
DFN2510P8
DFN2514
DFN2626-10
DFN3014
DFN3020-10
DFN3313
DFN3314
DFN4120P10
MSOP-08
MSOP-10
SO-14
SOD-323/0805/SC-76-UMD-2
SOD-523/0603/SC-79
SOD-923/VMN-2/0402
SOP-16
SOP-8
SOT-143
SOT-23
SOT-25
SOT-26
SOT-323
SOT-353
SOT-363
SOT-523
SOT-553
SOT-563
SOT-723
PESD静电保护元件
0201
0402
0603 (SOD-523)
2510
TVS瞬态电压抑制二极管
SMF Series(SOD-123FL/SC-77/SMD-2)
P4SMF Series(SOD-123FL/SC-77)
SMA Series(DO-214AC/SMA/SOD106)
SMB Series(DO-214AA)
P6SMB Series(DO-214AA)
10BJ Series(DO-214AA)
SMC Series(DO-214AB)
SMD Series(DO-214AB)
5.0SMD Series(DO-214AB)
6.6SMD Series(DO-214AB)
SM5S Series
SM8S Series(6600W)
3KP Series(R6)
5KP Series(R6)
15KP Series(R6)
30KP Series(R6)
P8S Series(R6)
P12S Series(R6)
P15S Series(R6)
P4KE Series(DO-41)
P6KE Series(DO-15)
1.5KE Series(DO-201)
AK Series(AK)
SMB15J Series(SMB)
P4SMA Series (SMA/SOD106)
SMB30J Series(SMB)
DFN2020-6L
TSS半导体放电管
SMA Series(DO-214AC/SOD106)
SMB Series(DO-214AA)
DO-15 Series
TO-92 Series
SOP-8 Series
SIDAC
GDT陶瓷气体放电管
SMD3216 Series
SMD4532 Series
SMD5050 Series
2R-5 Series
2R-6 Series
2R-8 Series
3R-5 Series
3R-6 Series
3R-8 Series
MOV压敏电阻
贴片0402系列
贴片0603系列
贴片0805系列
贴片1206系列
贴片1210系列
贴片1812系列
贴片2220系列
贴片3220系列
插件05D系列
插件07D系列
插件10D系列
插件14D系列
插件20D系列
插件25D系列
插件32D系列
插件34D系列
插件40D系列
插件53D系列
塑封贴片压敏电阻
PPTC自恢复保险丝
SMD0603系列
SMD0805系列
SMD1206系列
SMD1210系列
SMD1812系列
SMD2018系列
SMD2920系列
HL06系列
HL16系列
HL30系列
HL60系列
HL130系列
HL250系列
HL600系列
MOSFET场效应管
N沟道MOSFET
P沟道MOSFET
N+P道MOSFET
Dual N道MOSFET
Dual P道MOSFET
RECTIFIER整流管
0201(DFN0603)
0402(DFN1006)
SOD-723
0603(SOD-523)
0805(SOD-323)
SOT-23
SOD-123FL/SOD-123SL/DO-219AB
SMA(SMAF)
SMB(SMBF)
SMC(DO-214AB)
TO-277
TO-252/DPAK
TO-220/TO-220-3L
桥堆
TO-247
Zener 稳压管
SOD-882
0603(SOD-523)
SOD-323
SOD-123FL/SOD-123SL/DO-219AB
SMA
SMB
SOT-23
Inductor电感
Molding 一体成型
winding 绕线
Common 共模
Transceiver收发器
RS485 RS422通讯芯片
RS232通讯芯片
CAN通讯芯片
LDO 线性稳压器
裸片和晶圆服务
EMC测试项目和地区分布
EMC整改能力展示
教育技术
应用案例
信号保护
电源保护
智慧汽车
智能家居
智慧工厂
智慧城市
新能源光伏风电
医疗康养
行业应用
服务支持
下载中心
EMC测试项目和地区分布
EMC整改能力展示
教育技术
博客
新闻
公司新闻
行业新闻
888腾博会
888腾博会
相关链接
询盘
简体中文
English
语言
语言
English
日本語
Deutsch
Français
Español
Русский
Português
简体中文
保存
7days a week from 9:00 am to 9:00pm
+86 18001853095
首页
关于我们
公司简介
企业文化
公司资质
加入我们
FAQ
产品中心
ESD静电保护元件
0201/DFN0603/TSSLP-2-4
0402/DFN1006/SOD-882/TSSLP-2-20
DFN1006-3L/0402-3/SOT-883
DFN1210-6
DFN1510
DFN1610
DFN1610-2
DFN1616-6
DFN1714
DFN2010
DFN2020-3
DFN2020-6
DFN2510P10/SLP2510P8
DFN2510P8
DFN2514
DFN2626-10
DFN3014
DFN3020-10
DFN3313
DFN3314
DFN4120P10
MSOP-08
MSOP-10
SO-14
SOD-323/0805/SC-76-UMD-2
SOD-523/0603/SC-79
SOD-923/VMN-2/0402
SOP-16
SOP-8
SOT-143
SOT-23
SOT-25
SOT-26
SOT-323
SOT-353
SOT-363
SOT-523
SOT-553
SOT-563
SOT-723
PESD静电保护元件
0201
0402
0603 (SOD-523)
2510
TVS瞬态电压抑制二极管
SMF Series(SOD-123FL/SC-77/SMD-2)
P4SMF Series(SOD-123FL/SC-77)
SMA Series(DO-214AC/SMA/SOD106)
SMB Series(DO-214AA)
P6SMB Series(DO-214AA)
10BJ Series(DO-214AA)
SMC Series(DO-214AB)
SMD Series(DO-214AB)
5.0SMD Series(DO-214AB)
6.6SMD Series(DO-214AB)
SM5S Series
SM8S Series(6600W)
3KP Series(R6)
5KP Series(R6)
15KP Series(R6)
30KP Series(R6)
P8S Series(R6)
P12S Series(R6)
P15S Series(R6)
P4KE Series(DO-41)
P6KE Series(DO-15)
1.5KE Series(DO-201)
AK Series(AK)
SMB15J Series(SMB)
P4SMA Series (SMA/SOD106)
SMB30J Series(SMB)
DFN2020-6L
TSS半导体放电管
SMA Series(DO-214AC/SOD106)
SMB Series(DO-214AA)
DO-15 Series
TO-92 Series
SOP-8 Series
SIDAC
GDT陶瓷气体放电管
SMD3216 Series
SMD4532 Series
SMD5050 Series
2R-5 Series
2R-6 Series
2R-8 Series
3R-5 Series
3R-6 Series
3R-8 Series
MOV压敏电阻
贴片0402系列
贴片0603系列
贴片0805系列
贴片1206系列
贴片1210系列
贴片1812系列
贴片2220系列
贴片3220系列
插件05D系列
插件07D系列
插件10D系列
插件14D系列
插件20D系列
插件25D系列
插件32D系列
插件34D系列
插件40D系列
插件53D系列
塑封贴片压敏电阻
PPTC自恢复保险丝
SMD0603系列
SMD0805系列
SMD1206系列
SMD1210系列
SMD1812系列
SMD2018系列
SMD2920系列
HL06系列
HL16系列
HL30系列
HL60系列
HL130系列
HL250系列
HL600系列
MOSFET场效应管
N沟道MOSFET
P沟道MOSFET
N+P道MOSFET
Dual N道MOSFET
Dual P道MOSFET
RECTIFIER整流管
0201(DFN0603)
0402(DFN1006)
SOD-723
0603(SOD-523)
0805(SOD-323)
SOT-23
SOD-123FL/SOD-123SL/DO-219AB
SMA(SMAF)
SMB(SMBF)
SMC(DO-214AB)
TO-277
TO-252/DPAK
TO-220/TO-220-3L
桥堆
TO-247
更多
应用案例
信号保护
电源保护
智慧汽车
智能家居
智慧工厂
智慧城市
新能源光伏风电
医疗康养
行业应用
服务支持
下载中心
EMC测试项目和地区分布
EMC整改能力展示
教育技术
博客
新闻
公司新闻
行业新闻
888腾博会
888腾博会
相关链接
询盘
产品
分类
案例
博客
ESD静电保护元件
PESD静电保护元件
TVS瞬态电压抑制二极管
TSS半导体放电管
GDT陶瓷气体放电管
MOV压敏电阻
PPTC自恢复保险丝
MOSFET场效应管
RECTIFIER整流管
Zener 稳压管
Inductor电感
Transceiver收发器
LDO 线性稳压器
裸片和晶圆服务
EMC测试项目和地区分布
EMC整改能力展示
教育技术
电源保护
首页
>
电源保护
信号保护
电源保护
智慧汽车
智能家居
智慧工厂
智慧城市
新能源光伏风电
医疗康养
行业应用
案例
9.4 24V汽车电源PMOS防反接静电浪涌防护方案
11.7 48V汽车电源PMOS防反接静电浪涌防护方案
5.1 LC03-6用于T1,T3/E3,10M/100M,高速驱动线路,ISDN-S/U接口线路静电浪涌保护方案
4.1 雷达模组LMXBR202010电路方案
3.2 TWS无线蓝牙耳机静电保护方案
20.1 车辆点火系统防雷防静电防反接方案
19.1碳化硅SIC新能源 汽车充电桩
16.1苹果充电线电路保护
15.2 USB-PD快充电源接口静电浪涌保护方案
15.1 手机快充PD/TYPE-C 接口保护
12.2 AC 220V交流电源浪涌保护方案
12.1 AC 110V交流电源浪涌保护方案
11.5 汽车电子48V系统浪涌保护方案
11.4 -48VDC无续流电源浪涌保护方案
11.3 DC64V直流电源6KV浪涌保护方案
11.2 室外设备48V直流电源浪涌保护方案
9.5 28V直流电源浪涌保护方案
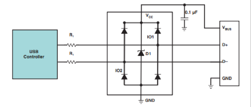
2.1 3.3V Vbus电源静电保护方案
1.1 2.5V Vbus电源静电保护方案
1
2
页码:
跳转
021-50828806
Sale Wechat
Sales QQ 2458956300
WhatsApp 8618016225001
sales12@ghankang.com